

Dřezy a baterie Kuchyňské dřezy Kuchyňské dřezy Franke Brand Store dřezy Granitové Jednodřezy s vaničkou a odkapem Franke MRG 651 sahara






![]() | Cenová nabídka na míruRychlá odpověď do 60 minut - napište, zavolejte nebo vyplňte formulář
Vážení zákazníci, Porovnat produkt Přidat do oblíbenýchZáruka: 4 roky, Kód: 2T1580, Výrobce: Franke | |||
| |||||||||
Informace o produktu
Dřez Franke MRG 651 sahara je praktickým a elegantním řešením pro moderní kuchyně, které vyžadují více prostoru a maximální flexibilitu. Kombinace hlavní a menší vaničky spolu s reverzibilní odkapávací plochou umožňuje efektivní mytí, oplachování i odkládání nádobí. Materiál Fragranit zajišťuje vysokou odolnost, barevnou stálost a snadnou údržbu.
Klíčové vlastnosti
Dvě vaničky pro větší komfort: Hlavní a menší vanička umožňují současné mytí a oplachování, přípravu potravin nebo odkládání nádobí – ideální pro náročnější provoz i větší domácnosti.
Reverzibilní odkapávací plocha: Dřez lze instalovat s odkapávací plochou vlevo nebo vpravo podle dispozice kuchyně.
Odolnost vůči vysokým teplotám a poškrábání: Fragranit zvládá krátkodobě teploty až 280 °C, je barevně stálý, odolný vůči skvrnám, ulpívání nečistot a mechanickému poškození.
Snadná údržba a dlouhá životnost: Neporézní povrch je hygienický, snadno se čistí a odolává běžným kuchyňským chemikáliím.
Technické parametry
Spodní skříňka: od 600 mm
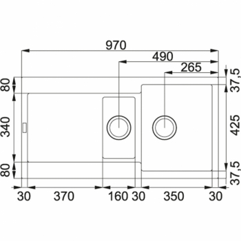
Rozměry dřezu: 970 × 500 mm
Rozměr hlavní vaničky: 350 × 425 × 200 mm
Rozměr menší vaničky: 160 × 300 × 130 mm
Počet dřezů: 1,5
Výřez pro montáž: 950 × 480 mm
Typ výpusti: 3 1/2" otočný sítkový ventil (hlavní vanička), 3 1/2" sítkový ventil (menší vanička)
Odkapávací plocha: reverzibilní
Materiál: Fragranit
Obsah balení
Granitový dřez Franke MRG 651 sahara
Otočný sítkový ventil 3 1/2" s přepadem
Sítkový ventil 3 1/2" pro menší vaničku
Sifon pro úsporu místa s odbočkou na myčku nádobí
Montážní příchytky
Kód produktu
FUN# 114.0120.251


| Výrobce | Franke |
| Modelové označení | MRG 651 sahara |
| Sortiment | dřezy |
| Druh | dřezy s odkapem a vaničkou |
| Montáž | horní montáž |
| Spodní skříňka | 600 mm |
| Vanička | ano |
| Orientace dřezu | oboustranné |
| Barva | sahara |
| Materiál | fragranit |
| Šířka | 970 mm |
| Výška | 500 mm |
| Hloubka | 200 mm |







| 5 | 0 x | ||
| 4 | 0 x | ||
| 3 | 0 x | ||
| 2 | 0 x | ||
| 1 | 0 x |
KITCHEN point - Jsme největší specializovaný prodejce kuchyňských vestavných spotřebičů a výrobce kuchyňské manufaktury v České republice! Jsme Vaši specialisté ve světě spotřebičů. Mluvíme s Vámi 7 dní v týdnu, třeba i v nočních hodinách.
Rozumíme nejen spotřebičům, ale výrobě celé kuchyně.
Poskytneme Vám to nejlepší poradenství při výběru spotřebičů Miele, Siemens, AEG, Bosch, Electrolux a dalších značek.